Lichtmaschine - Iseki : TU, TU120, TU125, TU127, TU130, TU135, TU137, TU140, TU145, TU147, TU150, TU155, TU157, TU160, TU165, TU167, TU170, TU175, TU177, TU1400, TU1500, TU1600, TU PP, TX, TX145, TX155, TX1000, TX1300, TX1410, TX1500, TX1510, TX2140, TX2160
Main image
Click to view image in fullscreen


calcActive())">
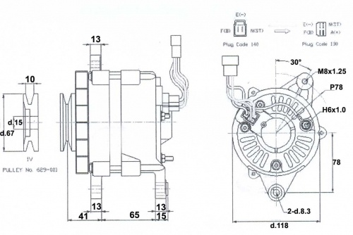
AP- 12V - 35A - id. 5650040-76710 - id. 5663017-64500 - MD017645 - MM40767 - for Mitsubishi K serie - MT1601
Verfügbar in UNSEREM Lager
Referenz
5663011-50000
4 kg
Ohne MwSt.:
147,00 €
TTC:
177,87 €
Ohne MwSt.:
Ohne MwSt.:
Weitere Informationen
| Produkt typ | Motor-Andere |
|---|---|
| Model Iseki | TU PP, TU120, TU125, TU127, TU130, TU135, TU137, TU140, TU1400, TU145, TU147, TU150, TU1500, TU155, TU157, TU160, TU1600, TU165, TU167, TU170, TU175, TU177, TX1000, TX1300, TX1410, TX145, TX1500, TX1510, TX155, TX2140, TX2160 |